Конструктив
Конвективная часть
Конструкция модели Теплодар Купер ОК 20 для отопления частного дома площадью до 200 м².
Прежде всего, при выборе котла стоит обратить внимание на его конвективную часть, т.е. его теплообменник
Теплообменники в пеллетных котлах зачастую выполняются из чугуна и из стали. Чугунные теплообменники более надежны, однако уступают в цене стальным, которые тоже довольно хорошо себя зарекомендовали. Газовые каналы в таком теплообменнике могут быть двух типов: горизонтальные и вертикальные. Тут преимущество теплообменника с вертикальными каналами очевидно, поскольку, сгорая, пеллета образует определенное количество золы, которое гораздо легче оседает именно на горизонтальных участках газовых каналов. Как следствие, снижается эффективность сжигания топлива, ухудшается теплообмен. Такой котел необходимо чистить гораздо чаще.
Котел с вертикальной конвективной частью менее подвержен засорению. Также производители часто применяют технологию, надежно закрепившуюся в газовых котлах – турбулизаторы. Это вставки в газовые каналы теплообменника, призванные улучшить теплообмен в конвективной части. Однако положительный эффект от турбулизаторов наблюдается в первое время после чистки. На практике же такой котел достаточно быстро засоряется. В худшем случае, турбулизаторы просто врастают в теплообменник. В твердотопливных котлах гораздо более эффективно увеличение общей площади теплообменника, без ущерба проходимости газовых каналов.
Важно! Установка производителями турбулизаторов – это попытка удешевить котел. Покупка такого, на первый взгляд более дешевого экземпляра, может в будущем вылиться в непредвиденные расходы.
Пожаробезопасность
Обратить внимание следует на пожаробезопасность пеллетного котла и на наличие в его конструкции системы защиты от возгорания в шнековой полости и бункере. Наиболее простой вариант такой системы – бак с водой, запертой парафиновой вставкой
При повышении температуры в шнековой полости, парафин плавится, освобождая проход воде и заливая воспламенившуюся пеллету. Способ простой, но эффективный. Также применяются электронные системы защиты и оповещения.
Защита от перегрева теплообменника
Не стоит забывать, что котлы на твердом топливе, в отличие от газовых, обладают более высокой инерционностью. Это означает, что даже после остановки котла, он продолжает какое-то время нагреваться. Потому в обязательном порядке в таком котле должна присутствовать защита от перегрева, а еще лучше система принудительного остужения.
Модель ZOTA «Pellet»-15А производства компании Красноярскэнергокомплект.
Автоматическое зажигание
Эта функция избавит вас от необходимости вручную запускать котел на пеллетах. Особенно это удобно для котлов малой мощности, которые не работают постоянно, либо обеспечивают нужды горячего водоснабжения.
Удаление золы
Обслуживание котла
Стоит обратить внимание на удобство удаления из котла золы, а также на наличие в комплекте с котлом устройств для чистки теплообменника. Эти операции придется выполнять довольно часто
Примечание! Производители современных пеллетных котлов предлагают множество интересных конструктивных решений, поэтому приведенный выше список далеко не полный. Мы же в статье постарались сделать акцент именно на удобстве эксплуатации и безопасности.
Топливо
Перед тем, как решиться на установку пеллетного котла, стоит оценить доступность данного вида топлива в вашем регионе. Желательно, чтобы производитель пеллеты был местный. Это позволит сэкономить на доставке, а также даст возможность закупать меньшее количество пеллеты. Наиболее приемлемый вариант – это когда в регионе есть несколько производителей (поставщиков), которые обеспечивают непрерывные регулярные поставки. Это обезопасит вас на случай поломки оборудования у производителя и прочих непредвиденных ситуаций.
Линия по производству топливных пеллет.
Важно! Стоит продумать место, где вы будете хранить запасы пеллет. Это должно быть сухое место
При длительном хранении, желательно, чтобы пеллета была упакована в герметичную упаковку, поскольку она имеет свойство подтягивать влагу из атмосферы.
Если будет использоваться пеллета с высоким процентом зольности – следует предусмотреть вариант для утилизации золы.
Элементы устройства
Через дверцы в передней стенке корпуса котла осуществляется доступ к зольнику, горелке. Гранульная горелка объёмного типа повышает КПД пеллетного котла до уровня газового. Фланцы, патрубки для соединения с дымоходом и трубопроводом расположены в задней стенке.
Блок управления крепится сверху, бункер для пеллет, чугунный или выполненный из листовой стали, сбоку. С горелкой его соединяет рукав и внешний шнековый питатель. Внутренний шнек, если модель им оснащена, передвигает пеллеты непосредственно к огню. Изоляционный материал, покрывающий корпус котла, защищён стальным кожухом.
Пеллетное топливо: что это такое
Пеллеты — это элемент растительного происхождения в виде плотных маленьких «зёрен» цилиндрической формы. Диаметр гранулы не превышает 1 см, средняя длина — 4 см.

Фото 1. Пеллеты для использования в отопительном котле. Представляют собой небольшие спрессованные гранулы.
Носителями энергии выступают низкокачественная древесина, кора, отходы деревообработки, а также солома, лузга подсолнечника, кукуруза. Прессованию исходного сырья предшествуют:
- его грубое измельчение, сушка;
- тонкое растирание до порошкообразной фракции;
- обработка водой и паром.
Гранулирование улучшает важные физико-механические свойства дисперсного продукта, устраняя текучесть, пыление, спекание при сжигании. Результат — сыпучий материал, представленный элементами заданных формы, размера, структуры, влажности, плотности.
Принцип работы
Энергетические характеристики котла, конструкцию топки, её эксплуатацию определяют явления и процессы, сопровождающие сжигание топлива. Нагретая древесина распадается на «летучие» вещества и угли. Эти компоненты, сгорая, вносят свою лепту в общее количество выделяемого тепла.
В топке котла и газоходах тепло передаётся от топлива к поверхностям конвекцией и излучением. Вентилятором под горелкой в топку направляется воздух. Он проходит сквозь горящую закладку твёрдого топлива, смешивается с продуктами сгорания и нагревает топку, газоходы, резервуар. Суммарная температура смеси воздуха и горячих газов — 1300—1700 °C.
Справка. Лучистым излучением стенка топки согревается только от тех областей закладки, которые непосредственно «смотрят» на неё. Его доля мала, но нижняя часть камеры сгорания, примыкающая к закладке, нагревается, преимущественно, излучением.
Основной нагрев топки и каналов выполняют горячие газы — продукты сгорания.
В пеллетах доля летучих веществ больше, чем в кусковой древесине (не говоря о каменном и буром угле). Поэтому конвективные газоходы гранульного котла развитые, многоходовые (ведь в них происходит более 2/3 теплосъёма), а камера сгорания — небольшая.
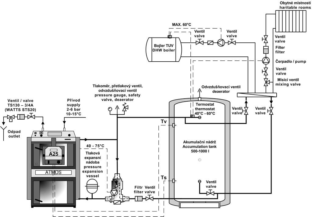
Среда, передающая генерируемую энергию (вода, водный антифриз), циркулирует по замкнутому трубопроводу, нагревая воздух в помещении посредством отопительных радиаторов. По отдельному контуру возможно снабжение здания горячей водой.

Фото 2. Пеллетный котел с подключенным к нему водяным контуром, который используется для отопления помещения.
Пеллетные котлы комбинируют с другим теплотехническим оборудованием (для дополнения их работы зимой, экономии топлива — летом), например:
- с аккумуляторами тепла — теплоизолированными баками в контуре системы отопления, накапливающими горячую воду;
- дополнительным греющим контуром, например, гелиосистемой;
- электрическим котлом.
Важно! Не любое исполнение отопительного котла подразумевает возможность нагрева незамерзающей жидкости. Не каждая модель рассчитана на подключение более одного контура
Специфика топлива
Потребитель имеет возможность приобрести два сорта гранул-пеллет:
- белые, в производстве которых использовались отходы древесины, не содержащие кору;
- серые – спрессованные из опилок с корой.
Пеллеты отличаются по цвету и составу
Цена на белые выше, так как перед стадией прессования древесные остатки тщательно просеиваются, в них отсутствует песок. Некоторые котлы (например, немецкого производства) могут работать только на высококачественном сырье, а при засыпке серых гранул засоряются и затухают.
Спрессованные в гранулы опилки или другие отходы АПК – одна из разновидностей биотоплива
Чем пеллеты суше, тем выше КПД
Как установить
Пеллетный котёл можно попытаться установить в домашних условиях самостоятельно своими руками при наличии специальных знаний или воспользовавшись Интернетом, где представлена пошаговая инструкция. Однако решение такого вопроса лучше поручить профессионалам из специализированной организации, имеющей строительную лицензию, которые надёжно смонтируют агрегат при ремонте или строительстве.

Основные этапы
1. Подготовительный:
- подготовка помещения;
- укрепление и выравнивание пожаробезопасного основания, способного выдержать агрегат;
- прокладка электропроводки;
- монтаж вентиляции и дымохода.
2. Монтаж и обвязка:
- установка на возвышенность, подключение к дымоходу газовоздушного тракта;
- монтаж бункера, подключение шнека;
- сборка панели управления;
- обвязка циркуляционного насоса;
- установка расширительного бака;
- монтаж автоматики для контроля обратки;
- проводка резервного энергопитания, установка стабилизатора;
- подсоединение контура теплоносителя и обратки.
3. Пуско-наладочные мероприятия:
- контроль соответствия проекту;
- проверка герметичности;
- проверка автоматики;
- опрессовка;
- контрольный пуск и замер параметров;
- наладочные работы.
4. Первый запуск:
- наполнение контейнера пеллетами;
- проверка давления воды, подпитка до норматива при необходимости;
- открытие дымовой заслонки;
- розжиг – пультом управления или вручную;
- проверка соответствия параметров проекту;
- остановка после выгорания;
- контроль температуры теплоносителя для недопущения образования конденсата.
Распространённые ошибки
- Отсутствие контроля температуры обратки.
- Неудовлетворительная герметичность газового контура, снижение КПД из-за утечки пиролизного газа;
- Плохая теплоизоляция основания, вызывающая конденсацию и выделение вредных веществ.
- Несоответствие размеров котельной требованиям пожарной безопасности, не позволяющее обслуживать бункер или шнек.
Пеллетные котлы отличаются эффективностью, простотой эксплуатации, а также длительным временем автономной работы. Но достичь оптимальные параметры можно только в случае правильного выбора оборудования, монтажа и наладки.
Удачных покупок! Берегите себя и своих близких!
Что представляет из себя пеллетный котел
Одним из главных минусов дровяных котлов длительного горения является само топливо, оно громоздкое и требует много места для хранения.
Классические твердотопливные котлы для обогрева частных домов созданы для сжигания дров, каменного угля, кокса и прочих твердых видов топлива. Для этого они оснащаются большой топкой, в которой осуществляется сжигание топлива с выделением большого количества тепла. Такие котлы требуют постоянного подкидывания все новых порций дров и угля – прогорают они достаточно быстро, что приводит к постепенному остыванию отопительной системы.
Появившиеся в продаже твердотопливные котлы длительного горения, используемые для отопления частных домов, порадовали своих владельцев уменьшенным количеством подходов для загрузки горючего – некоторые из них умеют работать до 8-10 часов, в зависимости от используемого топлива. Такой подход позволяет рассчитывать на длительную и бесперебойную работу – можно быть уверенным, что к утру в комнатах не похолодает.
Альтернативой котлам длительного горения стали пеллетные котлы, работающие на специальных горючих гранулах – пеллетах. Такое топливо выделяет большое количество тепловой энергии и обладает множеством преимуществ перед дровами и углем:
- Доступная стоимость – благодаря тому, что пеллеты представляют собой продукт, созданный из различных отходов, их стоимость находится во вполне доступном диапазоне;
- Удобство хранения – достаточно сложить мешки с гранулами в любом удобном месте. Также для этого можно предусмотреть вместительный бункер;
- Удобная дозировка – пеллеты являются сыпучим и очень легким горючим материалом, поэтому их можно дозировать с точностью до нескольких грамм. Также их очень удобно засыпать – для этого можно воспользоваться глубокой лопаточкой.
Пеллеты сгорают практически полностью, оставляя после себя минимальное количество золы. Также в продаже присутствуют низкозольные модификации, сгорающие чуть ли не на 100%.
Пеллетный котел для отопления дома представляет собой довольно внушительный агрегат, работающий на гранулах-пеллетах. Хранение топлива осуществляется в бункере, размеры которого могут быть как маленькими, так и очень большими. Пеллетное горючее постепенно поступает в камеру сгорания, где оно сгорает с выделением большого количества тепла. После этого тепло поглощается теплообменником.
Перепад температур между камерой сгорания и выходом теплообменника очень большой – продукты сгорания остывают здесь с температуры +800-900 градусов до +100-120 градусов.
Пеллетные котлы для дома состоят из следующих узлов:
- Бункер – здесь хранится пеллетное горючее, которое забирается в камеру сгорания. Некоторые модели пеллетных котлов обладают очень большими бункерами, что позволяет рассчитывать на самый длительный прогрев и непрерывную работу отопления частного дома на протяжении нескольких дней подряд>;
- Шнек – обеспечивает плавное поступление гранул-пеллет в рабочую камеру, он приводится в движение электродвигателем;
- Камера сгорания – здесь происходит процесс горения;
Основные агрегаты и узлы пеллетника.
- Горелка – в этом модуле воспламеняются и горят пеллеты. Можно сказать, что камера сгорания и горелка – это один и тот же узел;
- Теплообменник – здесь происходит передача тепла в систему отопления. Теплообменники могут быть самыми разными, начиная от плоских стальных и заканчивая многоходовыми чугунными;
- Модуль управления – контролирует подачу топлива в топку, проверяет рабочие параметры, следит за безопасностью.
Пеллетные котлы, используемые для отопления частных домов, содержат в себе и многие другие узлы – это сборники золы, предохранительные клапаны, системы розжига и многое другое. Но основными являются именно вышеуказанные модули – они отвечают за создание тепла и его передачу в систему отопления частного дома.
Работают пеллетные котлы для дома примерно так же, как и обычные твердотопливные котлы. Шнек забирает пеллеты из бункера и направляет их в горелку, где происходит их сгорание. Полученное тепло забирается теплообменником, а остатки отправляются в атмосферу. Многие пеллетные котлы оснащаются системами принудительной подачи воздуха в камеру сгорания и вентиляторами дымоудаления – все это позволяет обеспечить более эффективное сжигание пеллетного топлива.
Благодаря автоматической подаче горючего, пеллетные котлы не требуют частых подходов. Одной загрузки хватает на несколько часов, а то и на несколько дней. Более того, самые продвинутые образцы самостоятельно поддерживают температуру в системе, регулируя подачу пеллет и горение пламени – для этого они оснащаются многофункциональными системами автоматики.
Ключевые характеристики
Надёжность пеллетного котла, как любого оборудования, выражена в гарантийном сроке, межремонтном и межсервисном интервалах. Как устройство для производства энергии и передачи её теплоносителю, прибор характеризуют:
- энергетическая эффективность сжигания топлива;
- мощность;
- время автономной работы на одной закладке.
Тепловая мощность, какая самая малая

Какое количество теплоты образуется за единицу времени в результате сжигания топлива, показывает основная характеристика теплогенератора — тепловая мощность.
Её выбирают исходя из назначения помещения, площади, высоты потолков, теплопотерь при прохождении через ограждающие конструкции.
Значения мощности гранульного котла лежат в диапазоне 12—500 кВт.
Меньшая мощность делает устройство невыгодным, при большей он теряет преимущества перед другими теплогенераторами:
- работает с КПД < 0,8 — менее эффективно, чем газовые, жидкотопливные, угольные котлы;
- выходит из строя через 3—5 лет.
Коэффициент полезного действия
КПД устройства показывает, какую долю смог «взять» пеллетный котёл из того расчетного количества тепла, которое топливо «отдало» при сгорании. Снижает КПД недостаточная или чрезмерная загрузка топки, некачественное горючее, неправильная эксплуатация оборудования.
Топливо тем эффективнее, чем выше теплота его сгорания. Лидируют по эффективности мазут и дизель. Теплота сгорания пеллет в 2,4—4,3 раза ниже и зависит от вида исходного сырья:
- древесных — 17,5—19 (МДж/кг);
- соломенных — 14,5;
- торфяных — 10.
По этому показателю гранулы из отходов деревообработки сравнимы с углем (15—25 МДж/кг) и превосходят исходный материал — опилки, щепу, стружку (10 МДж/кг).
Расход топлива и вместительность бункера

Средний годовой расход гранул из древесного вторсырья на 1/5 меньше, чем бурого угля (по массе) и в разы меньше кусковой древесины (она более влажная и менее плотная).
Точная цифра зависит от свойств котла и настроек его работы, а также от объёма обогреваемого помещения, материала и конструкции наружных стен.
Объём бункера для пеллет определяет, как долго отопительному котлу не потребуется участие человека и варьируется от десятков литров до кубометра и более.
Справка. Автоматизация подачи топлива возможна, если она изначально предусмотрена конструкцией котла. От объёма бункера зависят и противопожарные расстояния в котельной.
Дополнительные функции
Автоматизация работы пеллетного котла не ограничивается механизированной подачей топлива из оперативного запаса к горелке. Модели котлов с дополнительными функциями сводят ручной труд по обслуживанию агрегата к минимуму:

- оптические элементы контролируют пламя;
- электроспираль воспламеняет закладку топлива;
- температуру и давление воды измеряет термоманометр;
- термостаты включают и выключают горелку, насос, защищают систему от перегрева;
- мощность котла настраивает потенциометр;
- датчик прогорания топлива реагирует на температуру поверхности горелки.
Это неполный перечень электронных, механических, химических устройств, которыми производитель способен оснастить свою продукцию.
Высокая степень автоматизации позволяет пеллетному котлу работать без участия человека более 7 суток. Связь с персональным компьютером делает управление дистанционным. Очистка или замена зольника вручную занимает не более получаса.
Важно! Технические параметры пеллетного котла, заявленные производителем — это результат испытаний, проведённых с предписанным топливом. Инструкция к устройству содержит требования к качеству пеллет: зернистость (мм), теплотворность (Дж/кг), влажность (%), зольность (%)
Свойства горючего отражаются на мощности и эффективности теплогенератора.
Изготовление пеллетной горелки
Пеллетные установки часто игнорируются покупателями из-за их дороговизны по сравнению с газовым и электрическим оборудованием, при этом проблема решается путём изготовления устройства в домашних условиях.
Общая схема для самостоятельного изготовления пеллетной горелки
Камеру сгорания можно обустроить из трубы квадратного или круглого сечения. Отдавать предпочтение лучше жароустойчивой стали, способной противостоять повышенным температурам, толщина стенок должна быть не меньше 4 мм.
Крепление самодельной установки к котлу производится фланцевой пластиной, изготовленной из жаропрочной стали толщиной от 3 мм.
Контейнер для подачи топлива в камеру сгорания можно приобрести либо изготовить своими руками. Самый оптимальный вариант – сразу делать установку, в которой топливо будет подаваться автоматически. Для этого в приобретённую трубу нужного диаметра помещаем шнек. Вращение устройства будет производиться за счёт подшипника, редуктора и двигателя, работающего на низких оборотах.
Дополнительно в магазине приобретается вентилятор, который будет нагнетать воздух. Вентилятор закрепляется на пластине, которая изготавливается в зависимости от размеров и конструкции дверцы используемого в вашем доме котла.
Важно также побеспокоиться о регулировке количества поступающего топлива и объёма нагнетаемого вентилятором воздуха, иначе самодельное устройство будет работать нестабильно. В домашних устройствах регулировка силы подачи воздуха и количества пеллетов производится в ручном режиме. Данный способ неудобен из-за того, что требует постоянного присмотра за горелкой
Данный способ неудобен из-за того, что требует постоянного присмотра за горелкой.
Для автоматизации приобретается электрический элемент накаливания и фотодатчик. Первое устройство производит розжиг пламени в случае, если пеллеты погасли, также регулирует включение устройства. Фотодатчик следит за появлением пламени: если пламя стабильное, датчик передаёт сигнал на элемент накаливания для прекращения розжига.
Для автоматизации системы также приобретается датчик заполнения. Он будет оповещать электронную начинку устройства о степени заполнения камеры сгорания пеллетами.
Пеллетные горелки – современное оборудование для котлов, которое позволяет повысить экологичность процесса и снизить затраты на топливо. При этом само оборудование в магазине имеет высокую стоимость. Для базовых бытовых нужд лучше отдавать предпочтение самодельным устройствам, работу которых при необходимости можно автоматизировать.
Экология и здоровье
Пеллетный котел по праву можно назвать экологически чистым агрегатом. Уникальная система подачи воздуха в пеллетных котлах, позволяет подвести кислород для поддержания процесса горения через отдельный контур. Полное сгорание гранул практически не оставляет мусора, а продукты сгорания перерабатываются в процессе фотосинтеза. Таким образом нет угрозы экологии вашего жилого помещения. Подача воздуха на горелку осуществляется по системе труб из внешнего пространства. Отсутствует эффект «сжигания» кислорода благодаря чему, не нарушается комфортное состояние.
Плюсы пеллетных котлов:
- Автономность. Пеллетный котел обогреет ваш дом, в отсутствии к нему подвода магистрального газа;
- Малое потребление электроэнергии. Энергосберегающий вентилятор, и система автоматики справляется с задачей работы устройства потребляя не более 70 Ватт;
- Малое количество отходов. По сравнению с твердотопливным котлами на дровах или угле, пеллетный котел образовывает совсем незначительные объемы золы и сажи. Производители выпускают даже автоматический пеллетный котел с самоочисткой;
- Корпус устройства надежно защищен слоем теплоизоляции, сохраняя тепло внутри котла и оставляя холодными наружные стенки. Исключена проблема ожогов;
- Автоматизация процесса отопления. Автоматический пеллетный котел способен эксплуатироваться без участия человека до 5 суток;
- Возможность программирования непрерывной работы с недельными параметрами.
Минусы пеллетных котлов:
Основным недостатком пеллетного котла предсказуемо является цена.
- Высокая цена первоначальной покупки;
- Высокая цена эксплуатации. Казалось бы, пеллеты изготавливают из отходов деревообработки, но стоимость их отнюдь не как за мусор.
- Выделяемое тепло при сгорании пеллет получается более дорогостоящее, в сравнении с теми же дровами;
- Место хранения, также влечет за собой определенные расходы. Сложить во дворе пеллеты, наподобие поленницы не получится. Потребуется сухое помещение. Сырые и разбухшие пеллеты представляют угрозу оборудованию, шнеки засоряются и выходят из строя.
Существующая практика, показывает, что расходы на эксплуатацию пеллетного котла достигают уровня расходов на эксплуатацию отопительного оборудования с использованием электрического котла. Вне сомнений расходы превысят использование газо-отопительных агрегатов.
Схема подключения пеллетного котла
Схема подключения пеллетного котла в систему отопления дома идентична схеме подключения любого теплогенератора, будь то газовый котел или котел на дизельном топливе.
Нижний патрубок котла врезается в обратку, верхний патрубок врезается в подачу. Горение пеллет в горелке котла строго контролируется при помощи двух факторов:
- подача топлива шнеком,
- подача воздуха вентилятором.
А потому перегрев котла в штатной ситуации невозможен. Значит, обвязывать металлом подачу котла нет необходимости. Схема пеллетного котла с полипропиленовыми или металлопластиковыми трубами прекрасно работает у многих хозяев долгие годы.



А для внештатных ситуаций, вызванных авариями в линиях электропередач или отказом контроллера котла, стоит предусмотреть схему аварийного отключения подачи топлива и воздуха в камеру сгорания котла. То , которое на момент аварии будет находиться в топке котла, уже неспособно вызвать перегрев теплоносителя в системе отопления.
При такой простоте обвязки, монтаж пеллетных котлов может производить не специализированная организация, а любая строительная организация с лицензией.
Как выбрать пеллетную печь?
Критерии выбора печи:
- мощность; важнейший аспект – выбирая устройство, необходимо отталкиваться от объёма помещения; средняя требуемая мощность – 1 кВт/10 м2; схема расчёта справедлива для помещений с высотой потолков до 3 м;
- тип и расход гранул; потребность в пеллетах вариативна и привязана к конструкции печи и объёму помещения; средний расход прессованного топлива – тонна/месяц;
- производитель и реализатор; покупать оборудование рекомендуется у продавца, обеспечивающего комплексное или хотя бы сервисное обслуживание;
- материал теплообменника; брендовые изготовители выпускают печи только со стальными теплообменниками; менее популярные производители допускают изготовление элементов из чугуна; чугунный вариант менее предпочтителен – он тяжелей и характеризуется большей термоинертностью.
Отзыв о пеллетном котле
Хочу поделиться своим опытом (актуально на 02.12.2018 год). Модель котла Китурами КРП-20а, дом два этажа 200 квадратных метров в Подмосковье, стены сухой профилированный брус толщиной 190 мм, большая площадь остекления, кровля утеплена минватой 250 мм, утепленный цоколь фундамента эппс 100 мм и утепленная отмостка эппс 50 мм, перекрытие – деревянное и утеплено минватой 200 мм, подогрева пола нет, стоят радиаторы, теплоноситель – вода, горячее водоснабжение организовано через электрический водонагреватеь 200 литров (но с пеллетным котлом они запитаны последовательно).
Я отапливаю дом электричеством и пеллетным котлом. Прокладку газа посчитали в районе 7 млн рублей (реальные техусловия на руках). На дом работает два электрических счетчика: однотарифный 15 квт на общие нужды, двухтарифный 15 квт на отопление и ночное освещение территории. С 23:00 до 07:00 утра работает электрический котел Протерм мощностью 12 квт по ночному тарифу 1,58 рублей за квт. Далее по необходимости работает пеллетный котел. В нехолодное время отопительного сезона предпочитаю включать на первом этаже электрический камин мощностью 1-2 квт, чтобы не включался пеллетник.
В отопительный сезон 2017 год израсходовал 3 тонны пеллет. В отопительный сезон 2018 года принял решение не закупать сразу большой объем пеллет, так как не организовано место для их нормального хранения, а количество продавцов данных пеллет в районе пока достаточно (удаленность 15-20 минут на машине), проблем с предложением нет. Доставку и разгрузку осуществляю сам – автомобиль пикап позволяет за раз взять до тонны, обычно беру 600 кг в полиэтиленовых мешках по 15 кг. Складирую недалеко от котельной на поддон, накрывая сверху от осадков. В дальнейшем планирую все таки построить навес и закупаться по оптовой цене в несезон, так как есть возможность скооперироваться с соседом.
Учитывая такой подход к закупке, сейчас цена 1 кг пеллет составляет для меня 10 рублей. Если взять теплотворную способность 3,5 квтч/кг, получаем, что мне 1 квт тепла пеллетника обходится в 2,86 рублей. Дневной тариф электричества двухтарифного счетчика равен 4,26 рублей (почти на 50 процентов дороже).
Чищу котел самостоятельно раз в неделю, иногда раз в две недели. Загрузка бункера 120 кг в среднем раз в неделю, в сильные морозы 2 раза. С учетом закупки пеллет обслуживаю котел я 7-8 часов в месяц – по часу на еженедельную чистку, два часа на доставку и разгрузку, заполнить бункер – 8 мешков максимум за 5 минутJ
Пеллетный котел требует время и сил, его автономность условная, я никогда не оставляю его в рабочем состоянии, когда никого нет дома больше суток. Но одновременно с этим я понимаю, что альтернатив не много. Если повысят стоимость электричества (а частный дом в 200 метров у меня выходит далеко за рамки 500 квт в месяц, что его не видно на горизонтеJ), пеллетник будет выручать, ну а на крайняк, у меня в доме выложена печь из кирпича с возможностью подключения к системе отопления J





































