Как правильно подключить два котла в одну систему параллельно

Как подключить два котла вместе?
Сразу хочется уточнить, что просто подключить два котла на разных видах топлива в одну систему является одним из возможных решений проблемы недостатка мощности установленного оборудования. Также возможно соединения в одну сеть более чем двух моделей.
Для каких целей может понадобиться подключить два котла в одну систему? Существует несколько весомых причин объясняющих целесообразность этого.
- Недостаток мощности. Неправильный расчет оборудования или дополнительно пристраиваемая жилая площадь может привести к тому, что мощности котла может попросту не хватить для поддержания нормальной температуры теплоносителя.
Увеличение функциональных возможностей. Подключить два котла в одну систему может понадобиться чтобы, к примеру, увеличить время автономной работы оборудования. Например, если основным источником тепла является твердотопливный котёл, то для его работы необходимо постоянно подкладывать дрова, что не всегда является удобным, а тем более практичным.Установив после него электрокотел или газовый отопительный прибор, можно решить данную ситуацию следующим образом. Как только дрова или уголь перегорели, и теплоноситель начал остывать, в процесс включается дополнительное обогревающее оборудование и продолжает отапливать помещение, до тех пор, пока утром хозяин не подбросит новую партию дров.

Как видно подключить два отопительных котла на разных видах топлива, это практично, кроме того может быть обусловлено острой необходимостью, связанной с недостатком производительности оборудования.
Как параллельно подключить два газовых котла
Существует две схемы подключения газового и любого другого водонагревательного оборудования. Подключить два котла к одной системе отопления можно:
Последовательно – в таком случае один агрегат будет установлен за другим. Нагрузка в таком случае будет распределять неравномерно, так как основной котел будет постоянно работать в полную мощность, что может привести к его быстрому выходу из строя.
Параллельно. В таком случае отапливаемая площадь будет условно разделена на две части. Нагрев будет осуществляться сразу двумя установленными котлами. Параллельное подключение двух котлов на газе обычно используется в коттеджных домах и зданиях с большой отапливаемой площадью.
Как соединить два котла – газовый и твердотопливный?
Модели газового и твердотопливного оборудования можно устанавливать в одну сеть последовательно. В таком случае ТТ котлы будут играть роль основного источника теплоснабжения.
Принцип их работы будет заключаться в том, что газовое оборудование будет включаться на обогрев только в том случае, если работа основного узла по каким либо причинам станет невозможной. Также обычно на газовый котёл возлагается задача нагрева воды, конечно если такая функция предусмотрена. Во время проектирования такой системы необходимо учитывать эти особенности.
Также обязательно потребуется согласовать выбранную схему в газовом хозяйстве и получить там все необходимые разрешения, включая технические условия и проект подключения.
Как объединить газовый и жидкотопливный котлы
Осуществить монтаж общей системы контроля над работой водогрейного оборудования. Совместное использование жидко-топливного и газового котла подразумевает установку общей автоматики. Она в свою очередь соединена с контролирующими датчиками, которые подают сигнал на включение в случае прекращения работы основного источника тепла.
Установить регулирующие вентили. Могут использоваться и отсекающие краны, работающие в автоматическом режиме.
Подключение выполняется последовательным или параллельным способом в зависимости от потребностей заказчика. План и принципиальную схему составляют в проектном отделе, после чего она согласовывается в службе газового хозяйства.
Преимущества установки нескольких котлов в одну сеть
Подключить два котла одновременно: напольный и настенный котлы может понадобиться в случае, если площадь помещения в результате строительных работ, резко возросла. Даже если изначально оборудование приобреталось с запасом мощности, его может не хватить для обогрева дополнительных помещений большей площадью. В таком случае устанавливается дополнительный котел, связанный с общей системой отопления. Преимуществом такого решения является:
- Возможность одновременного контроля над работой всего оборудования.
Экономия за счет выбора основного вида топлива.
Возможность более длительной эксплуатации оборудования.
Схемы подключения котлов

На сегодняшний день всё большую популярность набирают комбинированные системы отопления, сочетающие в себе котлы использующие различные виды топлива. Это весьма рациональный подход для экономии на энергоносителях. Подорожание одного типа топлива может компенсироваться использованием другого. Помимо этого, такие системы удобнее в плане беспрерывной эксплуатации. Особенно популярно использование вместе с твердотопливным котлом газового или электрического. Что позволяет в начале и конце отопительного сезона не использовать твердотопливный котёл, а в перерыах между его обслуживанием не останавливать работу системы отопления. Максимум эффективности при минимуме издержек, вот что хочет получить клиент заказывая монтаж отопительной системы подобного рода.
Не менее популярно использование таких систем для коммерческих объектов, где эти факторы ценяться ещё выше. Рассмотрим же самые распространённые схемы подключений нескольких котлов. Для частных домов, коттеджей и таун хаусов это обычно параллельное или последовательное подключение твердотопливного и газового котла (или электрического). Для больших площадей, например на производствах популярна схема каскадного подключения котлов.
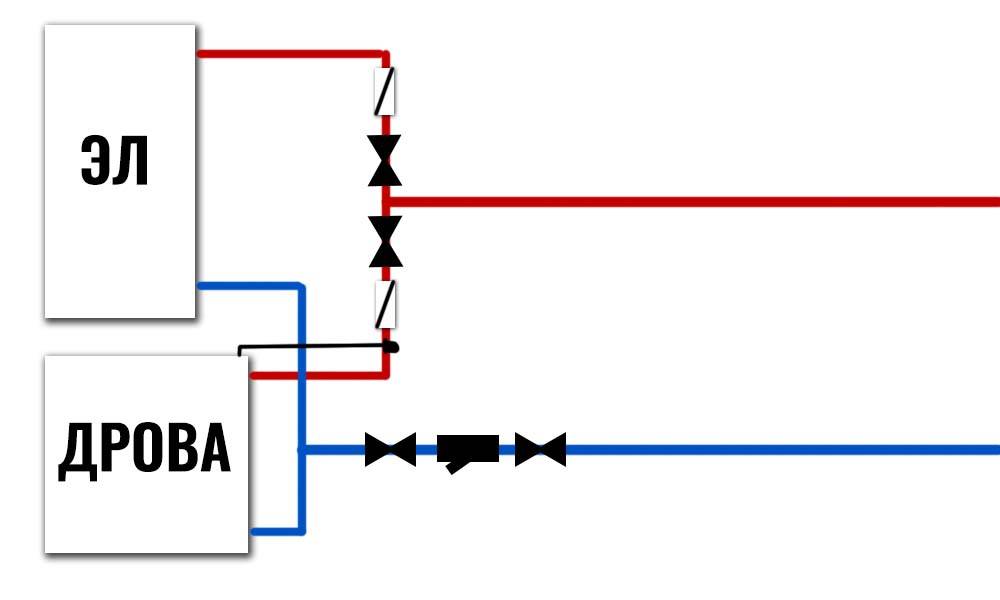
Параллельное подключение котлов
параллельное подключение газового и твердотопливного котлов
Естественно, такая схема подключения требуется дополнительного оборудования, а следовательно её стоимость возрастает.
Для реализации схема потребуется запорно-регулирующая арматура — вентили, байпас, группа безопасности, трёхходовой клапан.
Переключение между источниками тепла можно реализовать в автоматическом или ручном режиме. Для автоматического переключения требуется как минимум термостат и сервопривод. Ниже приводится схема подключения твердотопливного котла и газового в одну систему.
В реальности разница в цене между двумя схемами не столь велика и выбирать между схемами подключения лучше доверить профессионалам. Наши инженеры могут в деталях объяснить преимущества и недостатки каждого решения применительно конкретно к вашей задаче по монтажу котельной.
Каскадное подключение котлов

Каждый котёл по факту является ступенью мощности в системе. Обычно такой подход применяется для коммерческих объектов с большой площадью, с высокими потребностями и необходимостью резервирования. Управление системой отопления производиться посредством контроллера, который обеспечивает автоматическое включение и отключение котлов при возникающих потребностях в поддержании температуры.
Преимущества использования каскадной схемы подключения котлов
Выход одного котла из строя не несёт в себе угрозы отключения всей системы.
Обслуживать несколько котлов малой или средней мощности проще чем один мощный.
Котлы малой и средней мощности проще и дешевле транспортировать и размещать в помещении.
Меньший износ каждого следующего в каскаде котла.
Недостатки использования каскадной схемы подключения котлов
Высокие затраты на запорно-регулирующую арматуру.
Усложнение разводки системы (гидравлической, газовых магистралей, электроснабжения) и рост стоимости. Ведь подающая и обратная магистраль для каждого котла должна быть подключена параллельно, во избежание перетока воды между контурами.
Больше времени занимает монтаж.
Виды каскадного подключения котлов
Виды «каскадов» зависят от типа котлов, а точнее типов используемого топлива и горелок (или возможности ступенчатой регулировки, применительно к электрокотлам). Твердотопливные котлы для подобной схемы не используют. Обычно это или газовые, или электрические котлы.
Простой каскад подразумевает использование котлов без модуляции мощности (1 или 2 ступени). Смешанный предполагает использование разных типов котлов. Модулирующий — только с котлами имеющими гибкую модуляцию мощности.
Если вы решили установить комбинированную систему отопления стоит знать ещё одну важную вешь. Не только стоимость и бренд оборудования играет роль в надёжности эксплуатации системы, её эффективной работы. Наиболее важная часть это грамотный проект и квалифицированный монтаж с пуско-наладочными работами. Если на стадии проекта допущена ошибка — вы не получите той эффективности работы. Если есть ошибки при монтаже — не получите желаемого срока эксплуатации. Если безграмотно проведён запуск системы отопления — не факт что сможете всё правильно настроить сами.
Способы соединения дровяного и газового котлов в одну систему
Параллельное подключение газового и твердотопливного котла
Поскольку дровяной котел функционирует в открытой системе, то совместить его с газовым отопительным прибором, который имеет закрытую систему нелегко. С обвязкой открытого типа вода нагревается до температуры сто градусов и выше при наибольшем показателе высокого давления. Чтобы обезопасить перегрев жидкости ставится расширительный бак.
Через бачки открытого типа выводится часть горячей воды, что помогает понизить давление в системе. Но использование таких спусковых емкостей иногда стает причиной поступления кислородных частиц в теплоноситель.
Существует два способа соединения двух котлов в одну систему:
- параллельное подключение газового и твердотопливного котла совместно с приборами безопасности;
- последовательное соединение двух котлов разного типа с применением теплоаккумулятора.
При параллельной отопительной системе в больших зданиях каждый котел греет свою половину дома. Последовательное объединение газового и дровяного агрегата образуют два отдельных контура, которые совмещены с теплоаккумулятором.
Применение теплоаккумулятора
Система отопления с двумя котлами имеет такую структуру:
- теплоаккумулятор и газовый котел совмещаются с отопительными приборами в закрытый контур;
- от дровяного отопительного прибора к теплоаккумулятору поступают энергетические потоки, которые передаются в закрытую систему.
При помощи теплоаккумулятора можно проводить функционирование системы одновременно от двух котлов или только от газового и дровяного теплового агрегата.
Параллельная закрытая схема
Для совмещения систем дровяного и газового котла используются такие устройства:
- клапан предохранительный;
- бачок мембранный;
- манометр;
- клапан для воздухоотвода.
Первым делом на патрубки двух котлов монтируются отсекающие краны. Клапан предохранительный, устройство для отвода воздуха, а также манометр устанавливается возле дровяного агрегата.
На разветвлении от твердотопливного котла для функционирования оборота малого круга ставится переключатель. Закрепляют его на расстоянии одного метра от дровяного отопительного прибора. К перемычке добавляется обратный клапан, перекрывающий доступ воды в часть контура откаченного агрегата на твердом топливе.
Подачу с обраткой подключают к радиаторам. Обратный поток теплоносителя разделяется двумя трубами. Одна присоединяется через трехходовой кран к перемычке. Перед разветвлением этих труб монтируется бак и насос.
В параллельной отопительной системе можно задействовать теплоаккумулятор. Схема установки прибора при таком подключении заключается в подсоединении к нему обратных и подающих магистралей, труб подачи и обратки к системе отопления. Для совместного или отдельного функционирования котлов на всех системных узлах ставятся краны, перекрывающие течение теплоносителя.
Подключение в электросеть
Перед началом выполнения работ по подключению теплового оборудования к электросети нужно выполнить полную проверку проводки. При выявлении слабых мест необходимо произвести ремонт. Основные правила:
для подключения используют медную проводку, сечение провода выбирается в соответствии с указаниями, данными в инструкции;
соединения с внешним кабелем производится с использованием специальных выводов, расположенных в нижнем углу слева. Тут же распложена клемма заземления с латунным болтом;
при выполнении врезки котла обязательным является устройство заземления
При этом важно проследить, чтобы контакт между корпусом прибора и латунным болтом был надежным;
в схему обязательном порядке включается регулятор температур.
Для защиты электрической части оборудования от перепадов напряжения необходимо использовать УЗО. При использовании трехфазных розеток обязательно устанавливают автоматический выключатель.
Особенности работы твердотопливного котла
Как и любое другое оборудование, данный вид нагревателя имеет свои плюсы и минусы.
Положительные стороны:
- Не требуют подключения к сети электроснабжения, то есть считаются автономными системами.
- Доступная цена оборудования.
Принимая во внимание низкую стоимость топлива, использование данного вида котлов считается экономически обоснованным. К минусам можно отнести следующие:
К минусам можно отнести следующие:
- Требуется противопожарная защита прилегающих к агрегату поверхностей.
- Управление процессом горения довольно сложное.
- Отсутствие автоматической подачи топлива, хотя при желании этот вопрос можно решить.
- Желательно обеспечение низкой влажности в помещении, где хранится твердое топливо.
Принцип работы ТТКО прост: при сгорании в топке дрова или другое сырье выделяют некоторое количество тепла, которое, в свою очередь, нагревает воду, циркулирующую в трубопроводах. Образующиеся при этом продукты горения, удаляются из оборудования через специальные устройства: газы — через дымоход, минеральная часть (зола и сажа) — через зольник и сажесборник.

Схема подключения двух котлов с автоматическим управлением

Гидравлически ничем не отличается от ручной системы, кроме одной детали. При подключении двух котлов появляются два обратных клапана. Обратный клапан необходим для того, чтобы исключить паразитные потоки через неработающий котел. Вручную в этой системе ничего не нужно перекрывать. Магистрали всегда должны быть открыты. И в случае если один из котлов не работает, то насос второго котла неизбежно будет гнать теплоноситель через него. От места, где присоединяются котлы к системе, теплоноситель будет двигаться в сторону системы отопления и по малому кругу через неработающий котел. Сопротивление на участке с неработающим котлом намного меньше, чем сопротивление системы отопления. По участку с отключенным котлом теплоносители будут проходить впустую гораздо больше, чем по системе отопления, где будет ощущаться его дефицит. Решают эту задачу — обратные клапаны. Эту же задачу можно решить и путем гидрострелки, но тогда эту уже будет другая система и другие затраты. Обратные клапаны можно установить, например, на возвратной магистрали.
Для автоматической системы одновременной работы двух котлов понадобится дополнительная деталь – это термостат, который будет отключать циркуляционный насос, если в системе есть дровяной котел или любой другой котел с неавтоматизированной загрузкой. Отключать насос у котла нужно обязательно. Потому что, когда в нем прогорит топливо, никакого смысла нет гонять впустую теплоноситель через данный котел, мешая работе второго котла. Который будет подхватывать работу когда первый — остановится. При максимальном диаметре и самом высоком бренде термостата для выключения насоса вы затратите не больше 4000 рублей и получите автоматическую систему.
Подключение в одну систему двух котлов
Подключение в одну систему двух котлов
Совместить два отопительных прибора можно с помощью ручного и автоматического контроля.
Подключение с ручным управлением
Включение и выключение котлов проводится ручным способом за счет двух кранов на теплоносителе. Обвязка осуществляется при помощи запорной арматуры.
В оба котла устанавливаются расширительные баки, которые используются одновременно. Специалисты рекомендуют полностью не отсекать котлы от системы, а просто одновременно подключить их к расширительной емкости, перекрывая по движению воды.
Подключение с автоматическим управлением
Для автоматической регулировки двух котлов устанавливается обратный клапан. Он защищает отключений отопительный агрегат от вредоносных потоков. В остальном способ оборота теплоносителя в системе ничем не отличается от ручного управления.
В автоматической системе все главные линии не должны быть перекрыты. Насос рабочего котла прогоняет теплоноситель через нерабочий агрегат. Вода движется по малому кругу от места подсоединения котлов к отопительной системе через неработающий котел.
Чтобы не расходовать большую часть теплоносителя для неиспользуемого котла устанавливаются обратные клапаны. Их работа должна быть направленна друг на друга, чтобы вода от двух тепловых оборудований была направленна к отопительной системе. Клапаны можно поставить на обратной подаче. Также при автоматическом управлении необходим термостат для регулировки насоса.
Автоматическое и ручное управление используется при сочетании разных типов отопительных приборов:
- газовый и твердотопливный;
- электрический и дровяной;
- газовый и электрический.
Также можно подключить два газовых или электрических котлов в одну систему отопления. Установка более двух связанных тепловых агрегатов приводит к снижению эффективности системы. Поэтому больше чем три котла не соединяют.
Как проверить, правильно ли подключен прибор?
Для выполнения контроля работоспособности прибора, необходимо сначала проверить герметичность соединений путём опрессовки (2 атмосферы).

Кроме того, требуется:
- оценить внешний вид котла и отопительной системы (на наличие трещин или других повреждений);
- проверить присутствие тяги в дымоходе;
- проконтролировать давление теплоносителя;
- оценить состояние подачи газа (низкое давление в сети может самостоятельно остановить котёл).
При обнаружении проблем с любым из элементов устройства и подключения к отопительной системе, газопроводу и водопроводу стоит обратиться к специалистам, которые смогут подсказать решение по конкретному случаю.
Первый запуск котла производится в присутствии представителей газовых служб, которые проверят качество выполненных работ.
Жёсткие требования
Многие боятся установки газового оборудования, как опасного в плане возможности отравления, так и в плане взрывоопасности. А вот к электрическому оборудованию у наших граждан более простое отношение. Есть розетка — включай что хочешь. Однако, в случае с электрооборудованием также существуют жёсткие нормативы, несоблюдение которых может привести к последствиям, начиная от банального материального ущерба и заканчивая опасностью для здоровья и жизни.
Общие правила
Электропроводка в доме должна соответствовать нагрузкам устанавливаемого оборудования. Сечение кабельных жил должно строго соответствовать силе тока и реальной мощности потребления.
Нельзя использовать общую розеточную группу для питания электрического котла. Необходим монтаж выделенной линии, без разрывов, обязательно оборудованной автоматическим выключателем.
Важный момент – это место, где будет производиться установка электрического котла в частом доме. Только в помещение, где исключается даже кратковременный контакт с водой. Стена, где будет размещено оборудование, должна не только выдерживать нагрузку, равную массе агрегата, но и быть выполнена из негорючих материалов. Если дом деревянный, стену необходимо защитить соответствующими материалами.
При планировке всей системы отопления следует учитывать размещение других узлов. Так, например, система аварийного сброса давления воды (подрывной клапан) не должна располагаться над котлом. (см. исключить даже кратковременный контакт с водой).
Расстояние от верхней части котла, до потолка должно быть не менее 20 см. В идеале это расстояние нужно увеличить до 50 см, если есть такая возможность.
Относительная влажность воздуха в помещение, где производится установка, не должна превышать 85%. Температурный диапазон в пределах от +50 до +400С.
Прокладка кабеля не должна осуществляться в непосредственной близи с трубами водопроводной линии и трубами отопления. Либо, необходимо использовать защитный короб. Также следует уточнить. Что для подключения не используются провода, только кабель, строго с медными жилами соответствующего сечения.
Требования исходя из потребительской мощности котла
Оборудование мощностью не выше 3,5 кВт может быть подключено через розетку. Не рекомендуется использовать бытовую, дешёвую розетку. Подойдёт специализированные, какие используются для подключения бытовых электроплит.
Котёл свыше 3,5 кВт не превышающие потребительской мощностью 7кВт, подключаются строго через отдельный автоматический выключатель защиты УЗО.
Если мощность в пределах от 7 до 10кВт, линия в 220В не годится. Необходима линия в 380В.
При обогреве дома большой площади может потребоваться оборудование мощностью свыше 10кВт. Для его установки потребуется отдельное разрешение.
Выводы и полезное видео по теме
Синхронизация работы и отключения котлов в параллельной установке:
Установка 2 котлов отопления, газового и электрического, мудрое решение для усиления мощности отопительного оборудования, а также для резервного обогрева здания. Параллельная установка агрегатов не настолько сложна, как может показаться вначале.
Главное, грамотно подобрать схему обустройства и рассчитать верно суммарную или резервную мощность оборудования. Если вы не уверены в своих силах и не можете справиться самостоятельно, лучше всего обратитесь к сантехникам. Они помогут вам быстро и качественно установить систему для надежного и комфортного теплоснабжения вашего дома.
Заключение
Чтобы не совершать глупых ошибок в процессе монтажа и обвязки, перед установкой электрокотла стоит пообщаться со специалистом в данной области. Операция не настолько проста, как может показаться
Особое внимание уделите электрической части, поскольку высокое напряжение является источником повышенной опасности
Электрокотел, установленный в системе отопления, зачастую является самым энергоёмким устройством во всем доме, более того, его потребляемая мощность нередко выше, чем у всего остального электрооборудования помещений вместе взятого.
И это не удивительно, ведь даже негласное правило выбора котла для дома гласит, что 1кВт (киловатт) мощности, требуется для обогрева 10 квадратных метров дома. Следуя ему, для отопления относительно небольшого (по современным меркам) дома в 100кв.м., потребуется электрокотел мощностью 10кВт.
Конечно, это правило общее, в реальных же условиях, при выборе мощности котла, учитывается множество факторов, но в целом, ориентировочные, средние требования к котлу правило отражает верно.
Поэтому, для такого «прожорливого» потребителя электроэнергии как электрокотел, от стабильной работы которого зимой зависит очень многое, важно сделать правильную электропроводку, подобрать надежную защитную автоматику и верно выполнить подключение.
Чтобы лучше понимать принцип подключения котла, необходимо знать из чего он обычно состоит и как работает. Речь пойдет о самых распространённых, ТЭНовых котлах, сердцем которых являются Трубчатые ЭлектроНагреватели (ТЭН).





































