Как правильно подключить электрическую часть
В зависимости от вашей взаимосвязи с местной энергоснабжающей организацией, существует три основных способа подключения солнечной электростанции:
- Автономный, когда к вашему дому невозможно (или просто нет желания) протянуть линию электропередач. В этом случае во время светового дня, солнечные панели накапливают энергию в аккумуляторах, а в темное время суток наступает пик потребления. Обязательно использование качественных и дорогих аккумуляторных батарей, и надежного зарядного устройства. Поскольку энергоснабжение вашего объекта напрямую зависит от количества «солнце-часов», не лишним будет подстраховаться ветровой электростанцией. Начальное вложение средств достаточно велико, зато вы навсегда забудете о счетах за электроэнергию.
- Резервный, когда вы одновременно пользуетесь и местной энергосистемой, и собственной солнечной электростанцией. Какой источник считать основным, а какой резервным — зависит от емкости аккумуляторов и мощности ваших солнечных панелей. Оптимальный алгоритм использования — днем 100 % загрузка солнечных панелей, потребление из сети стремится к нулю. Ночью, когда тариф ниже, можно подпитываться от городской энергосистемы. При таком подключении вы не зависите от капризов погоды и аварий в местной электросети. Есть возможность проводить обслуживание солнечной электростанции без перерыва в энергоснабжении дома. Неплохой вариант для дачи или СНТ, где качество снабжения электроэнергией ниже плинтуса.
- Комбинированное (последовательное) подключение.
Такой способ предполагает не только два источника снабжения электричеством: собственная солнечная станция и местная энергосеть, но и возможность производить избыток электричества для продажи.В зависимости от местного законодательства, есть способы продажи избытков энергии снабжающим организациям. В этом случае устанавливается специальный счетчик энергии, и заключается соответствующий договор. При формировании избыточных мощностей, они перетекают в местную электросеть, возвращая вам затраты на электростанцию. Однако этот путь требует не только технического, но и грамотного юридического сопровождения.
Будет интересно Мультиметр в проверке катушки зажигания
Правила монтажа солнечных батарей
Очень важное требование правильной установки солнечных батарей — это их размещения в самом солнечном месте крыши или открытой местности. Любые затенения модулей не допускаются, даже если они незначительные
Перед установкой солнечных панелей нужно удалить ветки деревьев, затеняющие панели или даже убрать деревья.
Солнечные модули устанавливают на южной стороне крыши, чтобы панели получали максимальное освещение. Монтаж солнечных батарей ведется под углом горизонта. Географическая широта местности совпадает с углом наклона модуля к горизонту. Но для большей эффективности работы модулей, летом угол установки увеличивают на 12°, а в холодные время года уменьшают на 12°.

Установка солнечных панелей на трек систему с автоматическим слежением за солнцем
Идеальным вариантом является установка солнечных панелей на трек систему с автоматическим слежением за солнцем, которая ориентирует модули на максимальную освещенность от восхода до заката. Эффективность солнечных батарей сразу увеличивается на 50%. Потребуется меньшее число модулей для получения такой же мощности. При большом количестве панелей устанавливают несколько следящих устройств. Эти устройства автоматического слежения устанавливаются на земле или плоских крышах зданий.

Обслуживание солнечных панелей
Солнечные панели нуждаются в постоянном обслуживании, в виде поддержании частоты солнечной стороны модуля (пыль, снег, листья). Грязь на панелях дает снижение эффективности на 10%, а снег совсем отключает батареи. При установке солнечных панелей нужно обеспечить свободный доступ к модулям для обслуживания. Если установка ведется на земле, то монтажные рамы батарей приподнимаются на 0,5 метра от земли и более, в зависимости от количества выпавшего снега зимой.
Этапы монтажа
Разумеется, это условные цифры: в реальности существует множество поправок в расчетах. Конечно, больше всего солнечных батарей производится в Китае.
Аморфные батареи пока еще экзотика с точки зрения стоимости. Подключение солнечных батарей к сети Предварительно между всеми элементами системы необходимо установить предохранители.
Вы можете корректировать наклон батарей четыре раза: в середине апреля, в конце августа, в первых числах августа и марта. Основные требования при задействовании контроллера — мощность подключаемых панелей свыше 1 кВт и удаленность между батареями на достаточно большое расстояние Решить вопрос можно и путем установки отсекающих диодов.
Аккумулятор — химический источник тока, который накапливает сгенерированную электроэнергию. Для начала нужно проанализировать, сколько киловатт нужно получить из системы в день. Инструменты, которые понадобятся для сборки: напильник; ножовка по металлу с полотном 18; дрель, сверла на 5 и 6 мм; ключи рожковые; Этапы сборки Сборка состоит из нескольких этапов: Для начала нужно определиться с размерами рамы каркаса.
Новости и информация
Сегодня, установка солнечных батарей в индивидуальном порядке стала привычным делом. Если планируется использовать одну солнечную панель, то здесь всё понятно. Электроприборы в автономном режиме работают тем дольше, чем большую емкость имеет аккумулятор. Батарею можно разместить на крыше балкона или лоджии, в случае если это верхний этаж частного дома или квартира находится на последнем этаже.
Выбирая такой способ генерации энергии в сеть, будьте готовы к тому, что придется оформлять разрешение в местных энергосетях. Панели подсоединяются к прибору, контролирующему уровень запасенного электричества, называемому контроллером, соединенным с АКБ. Можно считать это предрассудком, поскольку надежность современных солнечных систем достаточно высокая. Видео: Как подключить солнечную батарею к аккумулятору На картинке ниже представлен комплект электростанции, состоящий из таких устройств: Поглощающих естественный свет элементов, которые преобразуют его в электрическую энергию, то есть солнечные батареи. Схема подключения Схема подключения СП.
Особенности и виды
Перед тем, как установить солнечные батареи, необходимо рассчитать емкость аккумуляторов. Основные требования при задействовании контроллера — мощность подключаемых панелей свыше 1 кВт и удаленность между батареями на достаточно большое расстояние Решить вопрос можно и путем установки отсекающих диодов. Это требуется для упрощения очистки панелей от следов атмосферных осадков, существенно понижающих эффективность функционирования батарей. А от них — к инвертору. Осуществить такое соединение достаточно просто, однако на выходе получится 24 В.
Поэтому фотоэлементы лучше покупать готовые
Примите во внимание: если не оставить зазор между крышей и панелями для циркуляции воздуха, модули будут перегреваться и выгорать. Для подключения используйте провода с сечением соответствующим мощности контроллера. При подключении солнечных батарей к сети схему лучше выбрать смешанную, так как она оптимальна
Расключная коробка для солнечных батарей
При подключении солнечных батарей к сети схему лучше выбрать смешанную, так как она оптимальна. Расключная коробка для солнечных батарей
Технические характеристики
Основным элементом каждой солнечной батареи является фотоэлектрический преобразователь.
В массовом производстве используется три типа элементов из кремния.
- Монокристаллические – искусственно выращенные кремниевые кристаллы нарезаются на тонкие пластины. В основу модуля входит очищенный чистый кремний. Поверхность больше похожа на пчелиные соты или небольшие ячейки, которые соединяются между собой в единую структуру. Готовые маленькие пластинки соединяются между собой сеткой из электроводов. В данном случае процесс производства более трудоемкий и энергозатратный, что отражается на конечной стоимости солнечной батареи. Но монокристаллические элементы обладают большей производительностью, а средний КПД составляет около 24%. Срок службы монокристаллических батарей больше, они прослужат в среднем около 30 лет.
- Поликристаллические – в основе кремниевый расплав. Такие модули считаются оптимальным решением для жилого частного дачного дома. Несколько кристаллов из кремния объединяются в один фотоэлемент. Поверхность поликристаллической солнечной батареи имеет неоднородную поверхность, из-за чего хуже поглощает свет. И КПД, соответственно, ниже, находится в пределах 20%. Срок службы поликристаллической панели составляет 20-25 лет. Они имеют характерное отличие – темно-синий цвет покрытия. Такие модули дешевле аналогов, что позволяет окупить всю систему примерно за 3 года.
- Тонкопленочные – имеют гибкую подложку, что позволяет монтировать батарею на любую поверхность с углами и изгибами. Тонкий слой полупроводников наносится методом напыления на поверхность батареи. Такие системы имеют очевидный недостаток – маленький КПД. Производительность в среднем составляет около 10%. То есть для обеспечения энергией дома потребуется в два раза больше тонкопленочных батарей, чем поликристаллических. И срок службы таких панелей меньше других аналогов – в среднем ресурс работы составляет около 20 лет.
Будет интересно Холодильник не выключается
Идеально, если солнечные батареи могут полностью обеспечить дом электроэнергией. Но довольно часто энергия Солнца используется для горячего водоснабжения или же для отопления. Но чтобы выполнить любую из этих целей, необходимо высчитать реальную мощность на квадратный метр и необходимое количество модулей. Мощность солнечного модуля зависит от количества солнечных лучей, которые попадают на поверхность батареи. Чтобы правильно сделать выбор, также следует изучить принцип действия домашней мини-электростанции.

Типы солнечных батарей
Генераторы «чистой» энергии классифицируются по типу материала, из которого выполнены элементы:
- Монокристаллические — самый массовый продукт на энергорынке. Для полноценного энергетического обеспечения объекта требуется значительная площадь монтажа. Приоритетная сфера использования — резервные или дублирующие энергосистемы при имеющемся подключении к сети.
- Поликристаллические системы более производительны, и при меньшей площади элементов могут быть использованы в качестве автономной электростанции объекта без централизованного энергоснабжения. Единственный недостаток (он нивелируется в процессе использования), стоимость существенно выше.
- Аморфный кремний — это прорыв в солнечной индустрии. Производительность высокая, продолжительный срок службы, элементы гибкие. Однако стоимость слишком высокая (по крайней мере, на нынешней стадии — пока производство не вышло на промышленный уровень).
Какие солнечные батареи лучше? Это чисто субъективный выбор. Простые расчеты показывают, что на сегодняшний день оптимальное соотношение цены качество у первых двух типов.
- Монокристаллы обычно покупают в довесок к действующей системе энергоснабжения, поэтому их стоимость окупается экономией на оплате за электроэнергию. С психологической точки зрения — такой способ подключения исключает страх остаться «без света» в случае поломки оборудования. Можно считать это предрассудком, поскольку надежность современных солнечных систем достаточно высокая. А поломка всей системы сразу мало вероятна. Элементы дублируются, можно производить ремонт без полного нарушения энергоснабжения.
- Поликристаллические батареи дороже ровно настолько, насколько и производительнее. Электростанция на поликристаллах может быть полностью автономной, то есть без вводной линии центрального энергоснабжения. Опыт использования в отдаленных местах проживания показывает, что такие системы вполне жизнеспособны, и не нуждаются в резервировании. Разве что можно установить ветрогенератор (на случай природных катаклизмов вроде затяжного дождя с пасмурной погодой в течение нескольких дней). Окупаемость 100%, если вы построили новый дом без энергоснабжения. Стоимость технических условий и монтажных работ сопоставима с покупкой комплекта на солнечных батареях мощностью 4000 Вт. А дальше — экономия в чистом виде. Вы вообще не знаете, что такое оплата электроэнергии.
- Аморфные батареи пока еще экзотика (с точки зрения стоимости). Однако технологии развиваются настолько стремительно, что через относительно короткий промежуток времени эти системы станут доступнее: вспомните ситуацию со светодиодными светильниками.
Достоинства применения солнечных батарей.
Использование этих источников электрической энергии для водонагревателей в частном доме предоставляет широкий спектр преимуществ перед другими отопительными устройствами:
- нет токсичных выбросов в окружающую атмосферу благодаря отсутствию процесса сжигания энергоносителей;
- изготовление их различной мощности дает возможность получить от солнечных батарей достаточное количество электрической энергии для полноценного функционирования отопительной системы и других электрических приборов;
- отсутствие горючих энергоносителей исключает возможность случайного возгорания, конечно, если электрические соединения и проводка выполнены с соблюдением всех требований безопасности;
- применение фотоэлементов, преобразующих инфракрасное излучение, позволяет получать электроэнергию даже при большой плотной облачности;
- обеспечивается полная электрификация дома независимо от других энергоносителей;
- установленное оборудование не требует дополнительных вложений на протяжении длительного периода;
- технология отопления с помощью солнечных батарей предоставляет возможность полной автоматизации всего цикла рабочих процессов: получения электрической энергии, отапливания дома, контроль и поддержание необходимой температуры;
- производители гарантируют надежную эксплуатацию солнечных батарей без дополнительных вложений в течение 30 лет.

Солнечные батареи для дома: типичные ошибки новичков
При установке систем альтернативных источников энергии впервые, многие обращаются в компании по установке солнечных батарей. Если Вы новичок в этом вопросе, то прочтите, пожалуйста, статью до конца. И постарайтесь, научиться на чужих ошибках.
Что учесть, обращаясь в компанию по установке солнечных батарей
Ошибка первая: жадность
Самой распространенной ошибкой новичков при установке альтернативного источника энергии является желание заполучить систему определенной мощности. Ну, к примеру: чтобы хватило и на телевизор, и на холодильник и еще много на что. В этом случае, Вы заплатите не менее 150 тысяч рублей только за саму гелиосистему. Не забудьте прибавить оплату за монтаж. А прослужит такая установка не более года.
Оказывается, не стоит жадничать и торопиться. Так как система модульная, то без особых проблем можно добавлять солнечные батареи и аккумуляторы по мере необходимости и по мере роста Ваших потребностей, а не по желанию продавца. Нет никакой нужды одномоментно платить за солнечную систему максимально необходимой мощности.
Целесообразно купить солнечную батарею минимально-требуемой мощности в феврале или ранней весной. Опробовать и проверить систему на деле, набраться опыта по рациональному использованию. А уже осенью добавить необходимое количество модулей, увеличив площадь солнечных батарей (желательно эту возможность заранее предусмотреть!). Причем, выполнить работу по монтажу можно будет и самостоятельно. Тем более, что Вы уже видели как это делается. К слову, в осенне-зимний период возможны существенные скидки. Между прочим, солнечные батареи на 12 вольт легко помещаются на заднем сидении легкового автомобиля.
Ошибка вторая: неправильный выбор рабочего напряжения солнечной батареи
При установке солнечных батарей, следует грамотно подобрать рабочее напряжение и соответствующие аккумуляторы. Так, установив солнечные батареи на 24 или 48 вольт Вы испытаете ряд неудобств:
- необходимость тщательного подбора одинаковых аккумуляторов (поскольку нельзя подключать последовательно АКБ разных производителей, неодинаковой емкости и даты выпуска. То есть придется приобретать аккумуляторы попарно!
- приобретение энергосберегающих светодиодных ламп на 24 вольта, а тем более на 48 вольт затруднительно
- придется отказаться от унифицированных электрических устройств на 12 вольт (а это: сигнализация, насосы, зарядки для телефонов, радиоприемники и т. п. приборы)
Солнечные батареи для дома: что надо знать новичкам?
Ошибка третья: надежды на инверторы
Еще одна распространенная ошибка новичков, устанавливающих солнечные батареи для дома: запитать все через инвертор, то есть одна сеть с напряжением 220 вольт. Но поскольку кпд инверторов, в реальной жизни всего 75-80%, то лучше предусмотреть гибридную проводку: 12В и 220В. Кстати, ее можно запустить в одном кабеле. И теперь, все что может работать от 12В, пусть запитывается от 12В на здоровье (а это: освещение, телевизор, спутник и многое другое). Такое решение сократит потери энергии более чем на 30 %. Тем самым снизит мощность солнечных батарей и емкость АКБ.
Ошибка четвертая: выбор АКБ
Впервые устанавливая солнечные батареи для дома стоит остерегаться, когда Вам «впихивают» всевозможные модели аккумуляторов глубокого разряда. Таких не существует, за исключением щелочных, которые устанавливали раньше на тепловозы и электрокары. Особо следует отметить гелевые аккумуляторы. Мало того, что стоят они недешево, но с учетом следующих факторов, их не следует применять в принципе, а именно:
- в силу гелевого состояния электролита, такие аккумуляторы плохо вступают в электро-химический процесс
- при отрицательных температурах окружающего пространства, гель переходит в состояние парафина. Сами посудите, что из этого выйдет в морозную погоду
Ошибка пятая: неверная установка солнечных батарей
Солнечные батареи для дома будут работать эффективно, если грамотно и правильно их установить. Существует ряд нюансов, не соблюдая которые никогда не получится сэкономить на использовании альтернативной энергии:
- несоблюдение азимута
- невыверенный угол наклона модулей
- отсутствие контроля температурного режима
Установка солнечных батарей — реальная возможность сэкономить
Самостоятельная установка
Зная, как подключить солнечную батарею к энергоснабжению вашего дома, вы сможете сэкономить на оплате труда монтажников. Самая сложная часть — установка комплекта солнечных батарей на крыше. Если высота дома не более 2 этажей, можно выполнять такую работу самостоятельно (с помощником). Крепление выполняется с учетом погодных условий и ветровой нагрузки вашего региона.

Закончив монтаж солнечных батарей, приступаем к подключению электрики. Все фото батареи заводятся на контроллер, который управляет зарядом аккумуляторов. От АКБ можно выполнить отвод для потребителей 12 В.
Затем подключаем инвертор, и заводим его на вводной электрощиток. Автономное энергоснабжение готово.

Типовая схема показывает взаимное положение элементов и порядок электрических соединений. При покупке оборудования, каждый элемент снабжается технической документацией, по которой производится сборка.
Дополнительные практические рекомендации
Специалисты по монтажу солнечных панелей советуют выбирать угол установки с учетом следующих соображений:
- Оптимальное положение установки должно рассчитываться таким образом, чтобы угол солнечной панели составлял 90 градусов к направлению потока лучей. Перпендикулярно падающий свет дает высокий КПД. Поэтому перед монтажными работами целесообразно провести мониторинг положения Солнца над горизонтом, чтобы подобрать под батарею подходящую опорную конструкцию и приблизить угол падения к требуемым 90 градусам.
- Летом в связи с высоким положением Солнца над горизонтом панели лучше укладывать ниже, чем в зимнее время. Если выполнять демонтаж и повторную установку системы в начале сезона невозможно, рекомендуется выбрать среднее значение, дающее максимальный КПД при любом положении светила над горизонтом.
- Подсказкой для выбора оптимального угла наклона солнечных панелей станет широта региона проживания. Осенью и весной это значение идеально для получения максимально доступного солнечного излучения. Зимой нужно добавить к нему около 10-15 градусов, а летом – отнять столько же, чтобы адаптировать положение панелей к направлению естественного света.
Отклонение от рекомендуемого угла наклона солнечных панелей в Подмосковье до 5 градусов считается незначительным. Но, если расхождение составляет около 10%, батарея теряет около 1% энергии. При увеличении разницы до 18 градусов потери достигают 5%, а при 40 градусах отклонения батарея недополучает около 20% солнечного света.
Рекомендации по установке солнечных батарей в своем доме
Основная задача в том, чтобы панели давали необходимую эффективность – это правильность монтажа и расположения на крыше, ведь от этого зависит срок окупаемости и рентабельность использования. Устанавливать их нужно согласно представленной ниже инструкции.
Существующие варианты крепления
Методов установки несколько, среди самых распространенных:
- На крыше индивидуального дома, если скат ее не более 40⁰. Зачастую монтируется специальная конструкция из профилей, желательно на кронштейнах, чтобы была возможность смены угла. Если скат крыши больше 30⁰ крепить можно прямо по кровельному материалу.
- Если крыша плоская или имеет минимальный угол, потребуется каркас из металла с наклонной поверхностью. В таком случае модули будут размещены под нужным углом.
- На стене. Подобный вариант практикуется редко. Чтобы элементы закрепить надежно, требуется создать рамную конструкцию, наклон согласно рекомендациям установки должен соблюдаться.
- На столбах (фермах). В данном случае монтаж производится на штанге, к которой крепится рама и сами панели. Практикуется этот метод в местностях, где часто идет снег и каждый день взбираться на крышу для очистки проблематично.
- На балконе/лоджии. Модуль вполне можно смонтировать для квартиры. В таком случае часть энергии будет компенсироваться в платежках. Оптимальный способ – на крыше балкона или с внешней стороны конструкции лоджии.

Этапы монтажных работ
Этапы работ зависят от типа выбранного монтажа, при этом важно соблюдать рекомендации по размещению солнечных батарей. Алгоритм при условии расположения на крыше:
- Монтаж профилей, которые будут объединять в одну систему все панели.
- Закрепление батарей с помощью болтов и их подсоединение.
Прежде чем реализовывать этот способ нужно убедиться, что кровля выдержит нагрузку профилей и панелей.
Если выбран вариант с расположением на наземных фермах, то этапы монтажа такие:
- Поиск необходимой по габаритам фермы. Удобнее всего использовать алюминиевые уголки, профиля и собрать самостоятельно.
- Сборка каркаса – это не будет сложной задачей, как конструктор для взрослых. Чаще всего их делают квадратной формы.
- Далее, нужно определить место для установки фермы, опять же с учетом рекомендаций.
- Закрепление конструкции в земле и последующий крепеж самих панелей.
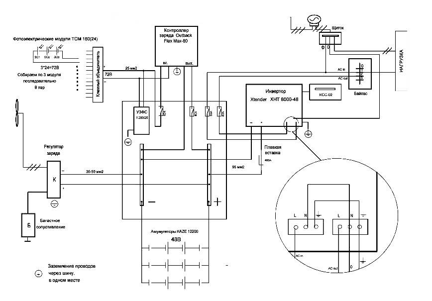
Схема подключения
Схема подключения всей системы предельно простая, если иметь минимальные навыки работы с электроприборами. Панели между собой соединяются последовательно или параллельно в зависимости от нужного напряжения. При этом используется пайка элементов и тщательная их изоляция.
Что касается стандартной схемы, то она параллельная. Ее компоненты:
- Солнечные панели, собранные в одно целое, подключаются к системе управления уровнем заряда/разряда аккумуляторов.
- Последняя, в свою очередь, имеет подключения – АКБ и инвертор. В аккумуляторах происходит накопление энергии, когда система не потребляет энергию из батарей, происходит их зарядка.
- Далее, от системы управления идет провод к инвертору, который и выдает напряжение 220 В на приборы в доме.
- Если имеются приборы, потребление которых 12 В, то на них может идти подача тока прямо из батарей.
Важно! Прежде чем подключать, следует создать чертеж схемы, которую предстоит реализовать
Своевременное обслуживание – залог эффективности работы системы
Мнение о том, что батареям не потребуется периодическая профилактика, является опасным заблуждением. Как и любую другую электрическую систему, солнечные батареи для дома потребуется регулярно обслуживать. Чтобы инвестированные в дорогостоящее оборудование средства скорее окупились, периодический уход потребуется всем элементам: проводам и контроллерам, АКБ и инверторам, электротехническим и прочим изделиям.
Мониторинг состояния указанной конструкции включает следующие процедуры:
Проверку состояния многочисленных крепежей. Из-за их ослабления, возможного отсутствия и действия коррозии солнечные батареи для дачи могут перестать исправно функционировать;
Оценку состояния каждого фотоэлектрического модуля. Проверку их работоспособности необходимо выполнить еще на стадии инсталляции. Сбой в работе даже 1 модуля может иметь критическое значение;
Своевременную очистку инверторов. Эти силовые элементы являются основными блоками и могут перегреваться с увеличением слоя скопившейся пыли. Продлению срока службы электростанции и постоянству ее КПД будет способствовать очистка самих инверторов и вентиляторов охлаждения;
Проверку заземления. От надежности многочисленных контактов и состояния изоляции проводников будет зависеть как эффективность установки, так и степень ее безопасности;
Состояние электропроводки. Чтобы мини-электростанция обладала минимальными потерями при генерации, в ней не должно быть повреждений проводов, электроизоляционных трубок и контактов;
Поддержание чистоты рабочих поверхностей
Важность этой процедуры переоценить невозможно. Обеспечив чистоты рабочих поверхностей модулей, можно рассчитывать на значительное улучшение генерации (до 15-20%).
Выводы о влиянии угла наклона и снега
См. ниже ссылку на приложенный отчет с последними данными
Следующие выводы можно сделать по результатам обработки данных от солнечной батареи.
Влияние снега
Рекомендуем почитать по теме:Руководство покупателя солнечных батарейОсновы фотоэнергетики
При повышении угла наклона повышается способность к естественной очистке от снега. При угле 90° снега на панелях нет в течение 99.5% зимы. При снижении угла наклона с 53° до 14° замечается увеличивающаяся разница в выработке энергии между очищенными и неочищенными от снега модулями.
Стоит ли чистить от снега модули для повышения производительности солнечных панелей?
Испытательная СБ продемонстрировала, что очистка панелей дает прибавку в выработке энергии от 0.85% до 5.31% в зависимости от угла наклона.
Обычно владельцы соединенных с сетью систем не чистят модули в течение зимы. Это поведение зависит от типа системы; при наземном монтаже очищать СБ от снега легче, чем в случае с крышной солнечной батареей.
Владельцы автономных солнечных электростанций обычно чистят регулярно свои СБ от снега, однако это обычно решение, которое принимает владелец самостоятельно.
Каков оптимальный летний угол установки солнечной батареи?
Угол наклона 27° показал максимальную производительность СБ в период с 1 апреля по 30 сентября
| Месяц | Оптимальный угол наклона(°) |
|---|---|
| Апрель | 45 |
| Май | 18 |
| Июнь | 18 |
| Июль | 18 |
| Август | 27 |
| Сентябрь | 53 |
Каков оптимальный зимний угол наклона?
- Угол наклона 53° показал максимальную производительность СБ в период с 1 октября по 31 марта при условии очистки снега
- Уголы наклона 90° и 53° показали максимальную производительность СБ в период с 1 апреля по 30 сентября без очистки снега.
| Месяц | Оптимальный угол наклона (°) |
|---|---|
| Октябрь | 53 |
| Ноябрь | 90 |
| Декабрь | 90 |
| Январь | 90 |
| Февраль | 53 |
| Март | 53 |
Каков оптимальный угол наклона для года?
- за год СБ с углом наклона 53° генерировала максимум энергии при условии очистки панелей от снега
- за год СБ с углом наклона 53° генерировала максимум энергии без очистки панелей от снега
В автономной системе с солнечными батареями лучше всего менять угол наклона 2 раза в год во время весеннего и осеннего равноденствия. Конечно, решение по регулярному изменению угла наклона СБ принимает владелец системы электроснабжения.
| Угол наклона (°) | Увеличение выработки при очистке от снега (%) |
|---|---|
| 14 | 5.28 |
| 18 | 5.31 |
| 27 | 4.14 |
| 45 | 1.99 |
| 53 | 1.63 |
Дополнительные факторы, которые надо учитывать:
- Опасность проведения работ зимой на крыше
- Во время теплых солнечных периодов зимой снег тает и слезает с панелей. Интенсивность этого процесса зависит от угла наклона панелей.
- Зимой в месяцы с максимальным снегом приход солнечной радиации минимальный, высота солнца над горизонтом также минимальная и света тоже меньше всего.
Предсказание производительности
Испытательная солнечная батарея NAIT показала разницу в производстве энергии в 17% в течение первой и второй зимы. Это показывает, что выработка энергии бывает существенно разной от года к году. Этот проект позволит получить более достоверные статистические данные по мере накопления истории наблюдений в последующие годы.
Показатели: Наиболее интересные цифры за 2013-2014
- Пиковая мощность одного модуля = 226 Вт
- Пиковая выработка энергии за один день одним модулем = 1.82 кВт*ч 27 мая при угле наклона 18°
- Пиковая месячная выработка энергии солнечной батареей = 442 кВт*ч в мае 2013
- Самая низкая температура за время наблюдений = -31°C 6 декабря 2013
- Самая высокая температура инвертора = 46°C 2 июля 2013
Для дополнительной информации см. приложенный отчет Northern Alberta Institute of Technology Solar Photovoltaic Reference Array Report – March 31, 2015. Project funded by NAIT and the City of Edmonton.
См. текущие и исторические данные по работе системы. (online мониторинг работы системы, можно посмотреть текущие данные измерений; учтите разницу во времени с Канадой!)
Reference: Northern Institute of Technology (Tim Matthews). (2014). Solar photovoltaic reference array report. Alternative Energy Program. Last update: August 18, 2015
Приложение:
NAIT Reference Array Report (на англ.)
Источник. Перевод “Ваш Солнечный Дом”. Ссылка при копировании обязательна
Эта статья прочитана 29940 раз(а)!





































